17IPS195 , 061112 , 23103079 , POWER BOARD , VESTEL BESLEME Fiyatı

vestel_17ips19-5p - Free download as PDF File (.pdf), Text File (.txt) or view presentation slides online.
Vestel Main Board 17IPS195 061112 Eagle Electronic

Model: Vestel 32 Inch and others. Part Type: PSU. Weight: 0.261kg. Part Numbers: 23139487. 17IPS19-5. 061112. It is vital to match part numbers, not just appliance model number. Got a product question?
DFTV Service Shop ALIMENTATORE TV LED VESTEL 17IPS195 23105886

Vestel+17IPS19-5 - Free download as PDF File (.pdf), Text File (.txt) or view presentation slides online. 17IPS19-5 Vestel Power Supply Shematic
17IPS195, 23157377, VESTEL SATELLITE 39PF5025, Power board

VESTEL 17IPS195 SMPS 17 IPS 195 17IPS19 17IPS19-5; If you have any question about repairing write your question to the Message board. For this no need registration. If the site has helped you and you also want to help others, please Upload a manual, circuit diagram or eeprom that is not yet available on the site. Have a nice Day!
Vestel 17IPS195 (23090775), 32" tápegység modul

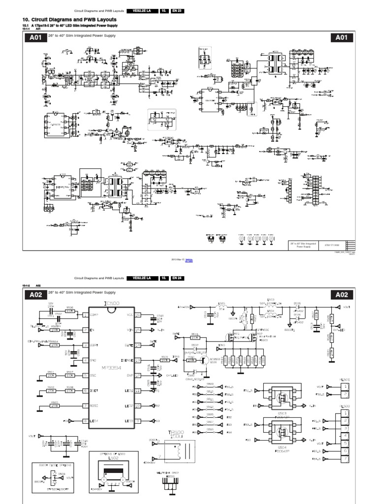
17ips19-5 5 smps group 1/2 sheet vestel 26"~40"led slim integrated power supply 16-08-2012 ver. date m4 screw option of l105 heatsink q204 hs301 hs300 mounted option of d103 m4 screw optional soft_start. 100k r506 100k dim_pwm_analogr504 bl_on/off_1 100k r503 +24-80v fqpfn50c q502 bc858b q500 r519 20rr520 r521 r522 r524 r528 100k r529 100k r530.
17IPS195, 23138400, VESTEL 3D SMART 42PF8175, Power board

Carte Alimentation 17IPS19-5, les diodes se trouvent en bas à droite de l'image. Détail de la carte 17IPS19-5P avec un emplacement des diodes différent.-La réparation peut se faire aussi sur les cartes d'alimentation Vestel 17IPS61-2 et 17IPS61-3 avec le même problème de diode en court circuit.
VESTEL 17IPS195 Fuente de alimentacion

Location: Vestal, New York, 2505 Vestal Parkway East, Vestal, New York - NY 13850. Black Friday and holiday hours. Look at selection of great stores located in Midtown plaza and read reviews from customers and write your own review about your visit at the mall. Don't miss rate the mall. Phone: 916-619-3203. Number of stores in Town Square: 38.
17IPS195 V1 061112 23101516 Fuente de alimentacion Vestel

Schematic Diagram
VESTEL POWER SUPPLY 17IPS195

Placa Vestel 17IPS19-5-32"DLB_. 47,09 € (PVP) Disponible. Entrega 1/3 días hábiles*. *Excepto Canarias con un plazo de 2-15 días. Comprar On Line. Encuéntralo en tu tienda más cercana. Placa Vestel 17IPS19-5-32"DLB_MB82_BTB_6P. Consulte modelos compatibles más abajo.
vestel_17ips195p
Power Supply Schematics. ICE3BR1765JSG6742HR and MP3394 VES2.2E. Atenção Os esquemas disponíveis destinam-se a técnicos ou pessoal qualificado em reparação de equipamentos elétricos que muitas vezes podem ter tensões elevadas, se não está familiarizado com circuitos não tente reparar.
17IPS194, 23068366, Vestel 32PH5045, Power Board, Besleme, VES315WNEA01

B-Creative Vestel Power Repair Kit 17ips19-5p Sharp, Toshiba, Hitachi, Digihome, etc. Save your repair bill. But try to fix only if you can or know someone who can use a soldering iron, although this is quite easy work. The kit comes with full instructions. Note that this is a component kit and not the entire board.
Vestel Tv Besleme Kartı 17IPS195 Fiyatı Taksit Seçenekleri

vestel_17ips19-5p.pdf - Free download as PDF File (.pdf), Text File (.txt) or view presentation slides online.
Vestel 17IPS195 (23091026), 39" tápegység modul

Vestel 17IPS19-5 Power Supply Board REPAIR KIT - Dead / No Standby LED 17IPS195 . Electronic Avenue (7795) 97% positive; Seller's other items Seller's other items; Contact seller; GBP 8.89.. VESTEL TV Power Board Repair Service - Diodes 17PW80 / 17PW26-4 / 17PW05-3 PSU (#173930093335)
Vestel 17IPS195 (23199542) tápegység modul

Hello ORION 32LBT731 TV set Vestel 17IPS19-5 V1 061112 power supply 17MB82S module VES315WNVS matrix Standby LED is missing He was completely dead at first. The fuse 3.15A 250V (F100) was blown After replacing the fuse with a new one, the standby diode was on for a few seconds. When you try to turn on the TV, the diode has gone out and does not light up so far, On the board, all diodes.
17IPS195 V1 Electronica Sorin

Get the best deals for vestel 17ips19-5 at eBay.com. We have a great online selection at the lowest prices with Fast & Free shipping on many items!
17IPS195 , 061112 , 23121917 , Vestel 40PF7070 Power Board Power_53

Re: Dead Vestel 17IPS20 power supply repair (OK fuse, no shorts) I have the same problem as described in post No1 but when i measured the VCC voltage on U300 (6300A), U202 (6300A) and U101 (FAN 7529) the multimeter showed 0V. Ive checked their capacitors c397, c295, c296 and c127 and appear to be okay.
.